

-
產品介紹
Product description
框架式一體化電梯
隨著經濟的發展和人們生活水平的不斷提高,舊樓加裝電梯日益成為社會的迫切需要,電梯成為人們生活中重要的垂直交通工貝,模塊式鋼結構井道一體化電梯是解決舊樓加裝電梯的一種直接的方法。它是一種新型電梯產品,有著廣泛的市場前景。韋伯電梯經過潛心研發的框架式一體化電梯, 用于舊樓加裝電梯加裝。
制造工藝特點
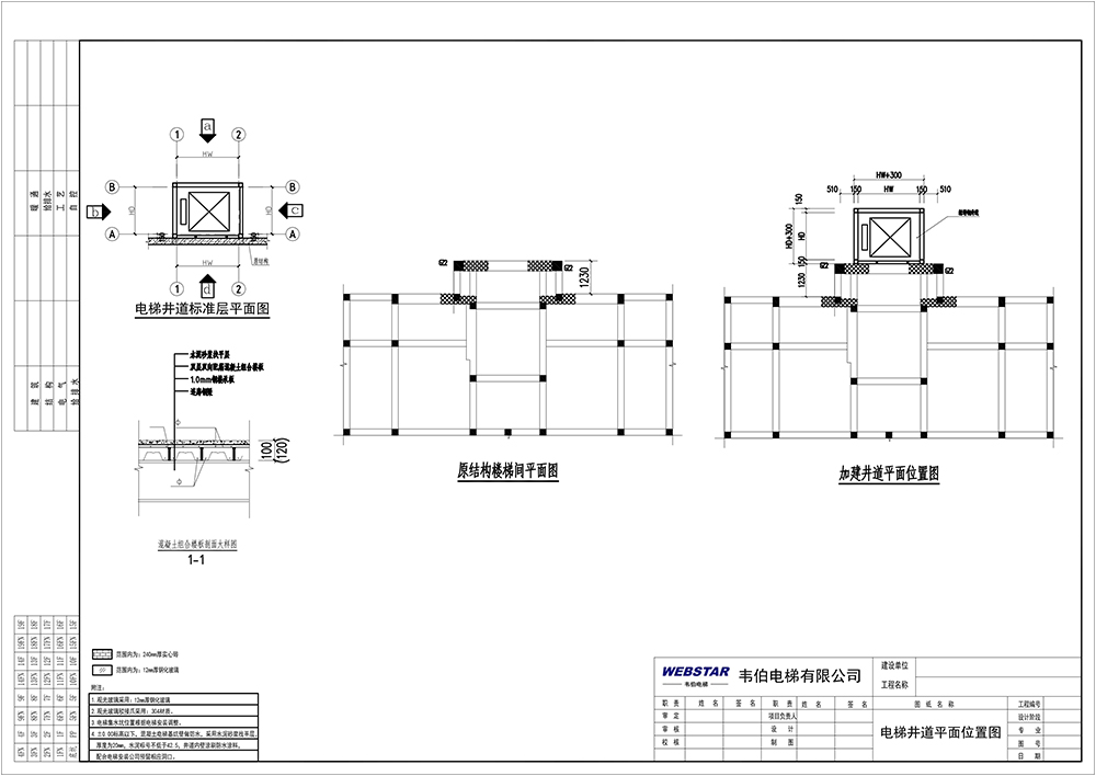
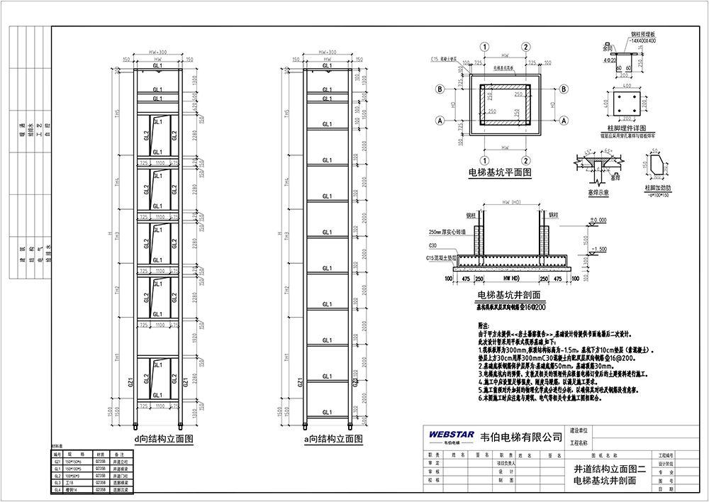
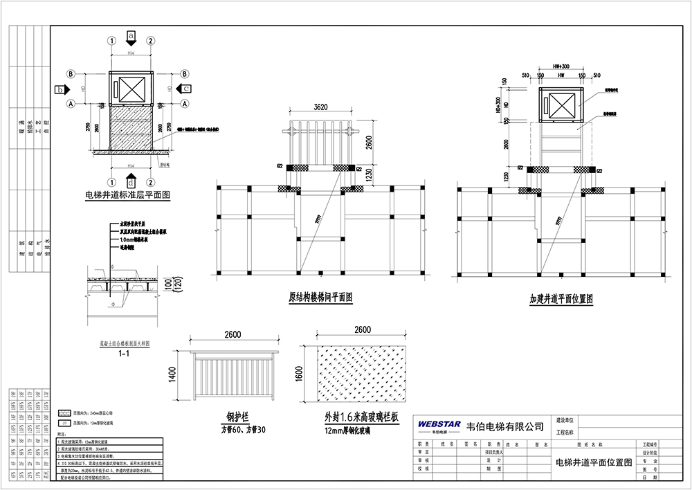
a、該產品應用于由于歷史原因末預留電梯井道的既有舊樓加裝電梯這一特定場所。電梯速度不大于1.5m/s,載重量不大于1000kg,層站數不超過9層且提升離度不大于40m。
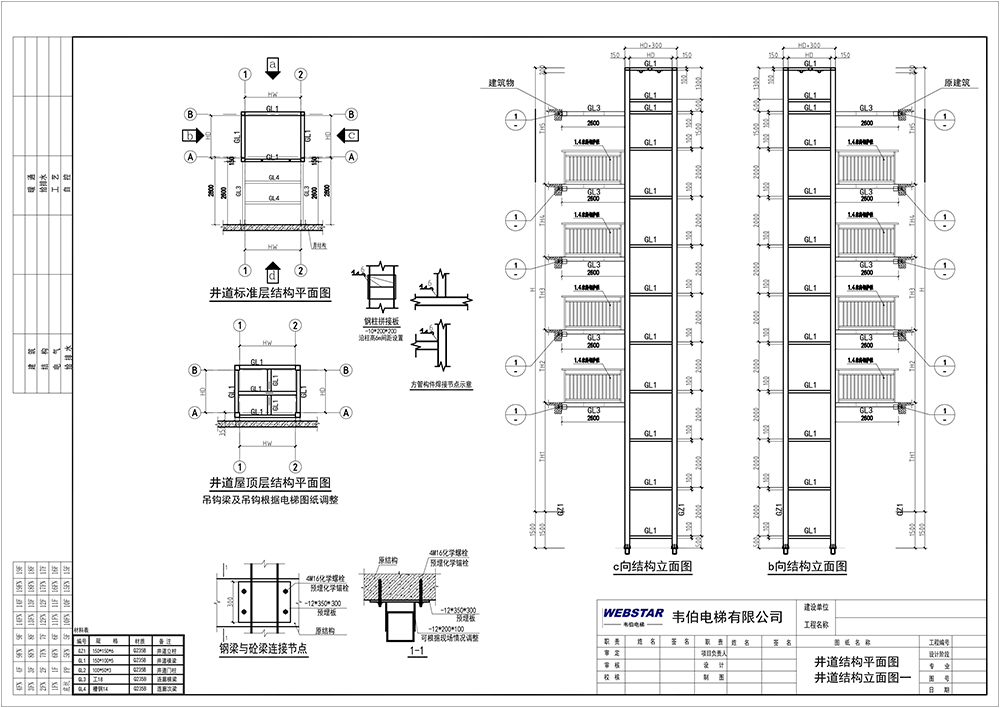
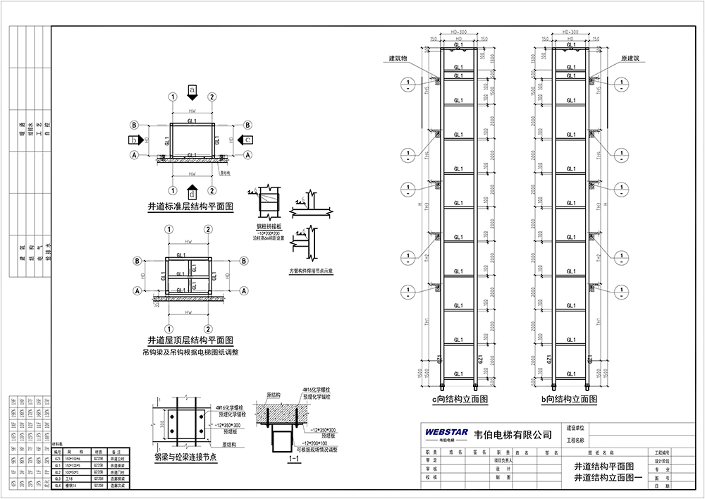
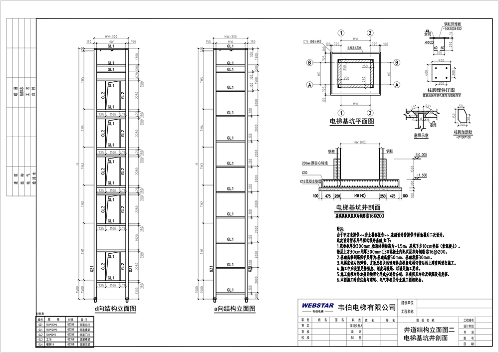
b、該產品在確保安全的基礎上,對制造工藝技術進行了創新,電梯的鋼結構并逍和電梯的零部件(如層門、主機、導軌等> 在制造工廠內就組裝成一體形成標準件,作為電梯的其中一個部件整體出廠》
c、電梯整體所占空間小,結構緊湊,凈容枳率高,環保節能。
d、該框架一體化電梯的框架,可以按照用戶滿想的要求逬行裝飾設計,使之符合建筑風格以及建筑裝修的需求。
安裝工藝特點
a、設備的制造和組裝大部分在制造廠內完成,設備運抵安裝現場后只要對標準件逬行吊裝、連接,調試和設備固定工作。因此,現場安裝工期短,一 般只有1-2天,而目前其他型式的電梯安裝工期約為30天。
b、該框架一體化電梯不僅適用于各類多層外埋電梯的安裝,還可靈活地 運用于室內建筑加裝電梯的使用。
c、該框架一體化電梯無須在建筑物內另設電梯井道、機房、不占用原建筑物寶資的空間。因此,在多層建筑加裝電梯時,不需要動遷干擾居民。而且電梯安裝快捷便利,作業難度降低,施工周期縮短,施工成本減少。
d、該框架一體化電梯適用于各類多層建筑加裝電梯的使用,它能與各種磚結構建筑以及水泥建筑很好的連接。